• <strong id="0sWBUZJ"></strong>
    1. <q id="0sWBUZJ"><style id="0sWBUZJ"></style></q>

        1. <abbr id="0sWBUZJ"><em id="0sWBUZJ"></em></abbr>

              2000W Water-Cooled Laser Power Measurement Sensors

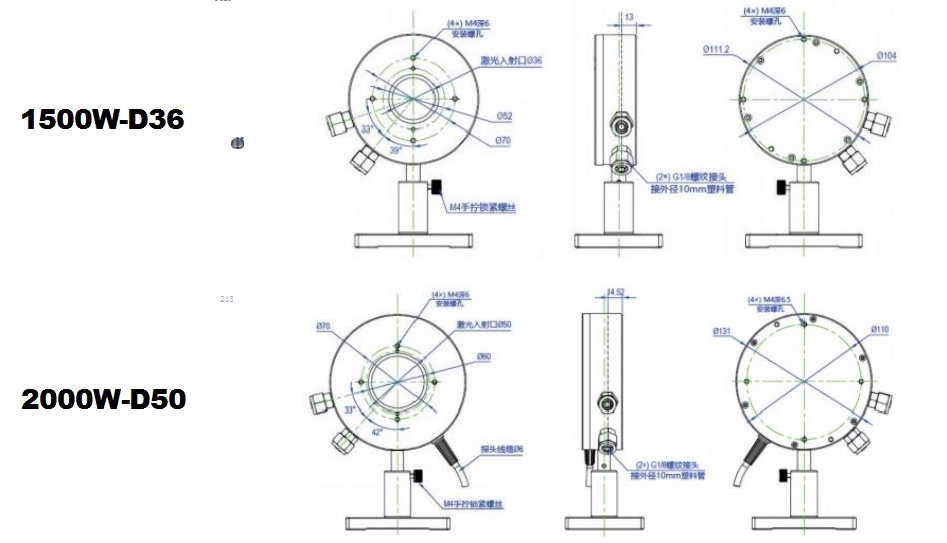
              Product Description:Name:BONAD 2000 W Water-Cooled Laser Power Measurement SensorsType:BND-2000W-D50The BND-2000W-D50 thermopile sensor is a water cooled laser power and energy thermal sensor with a 36 mm aperture. It can measure optical power from 10 to 2000 W . It has the spectrally flat broadband BB coating and covers the spectral range from 266 nm-10.6 um.
              Description

              Product Description:

              Name:BONAD 2000 W Water-Cooled Laser Power Measurement Sensors

              Type:BND-2000W-D50

              The BND-2000W-D50 thermopile sensor is a water cooled laser power and energy thermal sensor with a 36 mm aperture. It can measure optical power from 10 to 2000 W . It has the spectrally flat broadband BB coating and covers the spectral range from 266 nm-10.6 um.


              Features:

              1.Measures laser power continuously, up to 2000W.

              2.Highly linear, does not require sectional calibration.

              3.Excellent absorption capability.

              4.Available with 50mm apertures.

              5.Water cooling feature.

              6.Broadband 266 nm-10.6 umabsorber

              7.Water-cooled for 10 to 2000 W average power measurement


              Product Specifications:

              Model

              BND-2000W-D50    

              Absorption

              90%

              Wavelength Range

              266nm-10.6um

              Power Range

              10W-2000W

              Scale

              Auto

              Aperture

              50mm

              Power Resolution

              0.1W

              Response Time(0-95%)(a)

              <5s

              Calibration Uncertainty

              <3.5%

              Non-linearity

              <±1%

              Accuracy

              ±4%

              Damage Threshold (b)

              1kW/cm2 @2kW

              Cooling

              Water

              Recommended Water Flow Rate

              @Full power (c)

              5L/min

              Dimensions

              Ø 131×39.3mm

              Cable Length

              5m

              Connector Type

              DB15


              Notes:

              (a).Time from zero to 95% of stable value;

              (b).Recommended laser diameter:>25mm@1.5kW;>20mm@2kW;

              (c).Recommended water temperature range:18-30°C; Water temperature change rate:<1℃ /min.


              Dimensions of laser power sensor:

              1.jpg


              XDcfkjavascript:void();
            1. <strong id="0sWBUZJ"></strong>
              1. <q id="0sWBUZJ"><style id="0sWBUZJ"></style></q>

                  1. <abbr id="0sWBUZJ"><em id="0sWBUZJ"></em></abbr>